十二、肠肿瘤《病理学》

十二、肠肿瘤

(一)大肠息肉

突出于粘膜面、呈球形或卵圆形根部有蒂的肿块称为息肉(polyp)。大肠息肉是常见的一类良性肿物,其中有的属于粘膜的增生性改变(如增生性息肉),有的属于腺(如腺性息肉,乳头状息肉)。后一类与大肠的关系密切,有重要意义。

1.腺性息肉(adenomatous polyp) 此种息肉从组织学结构实系腺,故又称息肉状腺(polypoid adenoma),较为常见。其中大约有75%发生在直肠及乙状结肠。多为单个,少数为多发。息肉直径一般在2cm以内,大多有蒂,状如草莓,色红,易出血。广基无蒂者体积较大。组织学上可见由增生的肠粘膜腺体组成。上皮细胞一般分化良好,偶见细胞有异型性。但增生的腺上皮细胞并不侵入粘膜肌层。此型发生变者并不多见。

2.乳头状腺(papillary adenoma) 亦称绒毛状腺(villous adenoma),少见,常单发,表面呈乳头状或绒毛状。基底部宽,无蒂或有极短的蒂。体积一般比腺样息肉大。乳头状或绒毛状突起的表面由一层或多层柱状上皮被覆,可有不同程度的异型性。此型腺变率高于腺样息肉。

有些腺中,可见乳头状腺与腺样息肉的结构并存,称之为混合型腺。此型的生物学行为与乳头状腺近似。

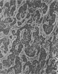
3.结胞多发性息肉病(polyposis coli) 呈家族性发生,故又称家族性息肉病(familial polyposis),为一种显性遗传病。常好发于青年。肉眼可见在大肠粘膜上有许多散在的约黄豆粒大的小息肉群生(图10-27)。息肉一般无蒂,数目可多达数十或更多。镜下结构与腺样息肉相同。临床症状均为腹痛、腹泻及便血。家族性息肉病易于变,据报导常在出现息肉症状大约15年后发生大肠

结肠多发性腺<a href=瘤性息肉"/>

图10-27 结肠多发性腺性息肉

肠粘膜面见多数绿豆至黄豆粒大的小息肉

上述三种息肉均为腺性质,此外还有一些非性息肉,主要者如下。

增生性息肉(hyperplastic polyp):较为常见,体积较小,属粘膜增生性改变。增生的腺体规整,有旺盛的粘液分泌但无样改变,可自行消失。

炎性息肉(inflammatory polyp);较为少见,一般常可以自行消失,不发生变。属于此类者如幼年性息肉(juvenile polyp),多见于儿童。息肉为单发性平滑圆形结节,组织学结构为肠粘膜上皮增生,有丰富的血管纤维间质及炎性细胞浸润。此类息肉也常见于血吸虫病患者。

Peutz-Jeghers综合征:为一种显性遗传疾病。在口唇及口颊粘膜等处有黑色素沉着,同时在肠发生多发性息肉。息肉具有错构性质。发展成肠者甚为罕见。临床上主要有便血,有时有肠套叠症状。

(二)类

消化道类(carcinoid)可发生在阑尾、小肠、直肠、胃、十二指肠等处。其中发生在阑尾者最为多见,其次为小肠。由于细胞含有神经分泌颗粒,其中有氨基酸脱羧酶,可消耗胺前体物质,故属于APUD系统,本肿亦为APUDoma之一种。

【病变】

多发生自肠粘膜腺体的Kultschitsky细胞。这种细胞起源于神经外胚层,呈嗜铬性(经重铬酸钾处理染成明显黄色)。它还有强烈的嗜银性和(或)亲银性。用硝酸银液染色可见胞浆内出现棕黑色银反应颗粒。所以,本肿又称为嗜银。肉眼上,体不大,直径很少超过2cm,色淡黄,切面呈均质状。在小肠常为多发性,有时环绕阑尾及肠壁。

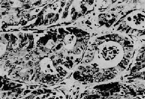
镜下见细胞较小,形态一致,为圆形或多角形,核小而规则。胞浆轻度嗜碱性,有嗜银颗粒,颗粒内含5-羟色胺。细胞形成实体状或索状胞巢,有时可见其中有假菊形团样结构(图10-28)。电镜观察可见细胞浆内有直径100~300nm的球形分泌颗粒,颗粒中有有一电子致密核心,颗粒周边有高电子密度的界膜。常限于粘膜及粘膜下层,少数可达浆膜层。发生在阑尾的类一般恶性度较低,转移率为3%。但发生在其他肠段及其他部位的类,则有约2/3为恶性者,并常转移到肝。

结肠类<a href=癌"/>

图10-28 结肠类

根据类细胞胞浆颗粒的银染色反应可将本分为嗜银性(argyrophil)及亲银性(argentaffine)二种。后者亦称为银还原性,此时以氨银液处理肿细胞,胞浆内可见有银颗粒沉着。嗜银性者还需在氨银液内加还原剂作用后在细胞浆内出现银颗粒。亲银性阳性的细胞,嗜银性亦为阳性。Williams及Sandler等根据银染色反应及类发生部位将其分为:

前肠型:发生在胃、十二指肠、胰腺、及支气管、嗜银反应+,亲银反应-。

中肠型:发生在小肠,横结肠及升结肠,亲银反应+。

后肠型:发生在降结肠及直肠,亲银反应-,嗜银反应±。

综合征多见于类肝转移患者。出现颜面潮红,腹泻,哮喘发作,四肢抽搐,厥冷,休克状态以及心瓣膜功能障碍。产生上述综合征的主要原因是类细胞分泌多量5-羟色胺、组胺、缓激肽等生物活性物质作用于血管壁、胃肠、支气管平滑肌及心瓣膜所致。患者尿中可检出5-羟色胺降解产物5-羟吲哚醋酸。

(三)十二指肠壶腹

亦称vater壶腹。壶腹部的粘膜上皮包括该处的总胆管、胰管和十二指肠粘膜及粘膜下的腺体等上皮。上述各处均可成为的来源,故确切地应称之为壶腹部周围。本在形态结构上可为腺、乳头状腺及少见的单纯、粘液等。患者常因肿阻塞总胆管而出现黄疸

(四)大肠

大肠(carcinoma of large intestine)在我国的发病率与国外发达国家相比还处于较低水平。但近年由于饮食结构变化,本的发病有增加趋势,在消化道的中仅次于胃。此如能早期发现并及时治疗,其术后5年存活率可达90%,可见早期发现的重要性。患者多为老年人,但中青年人发生率在逐渐上升。患者常有贫血、消瘦,大便次数增多、变形,并有粘液血便。有时出现腹部肿块与肠梗阻症状。梗阻常见于降结肠及直肠,盲肠及升结肠往往不发生梗阻症状。这可能与发生在大肠左、右侧的的病理形态不同有关。

【病变】

发生部位:大肠的好发部位以直肠为最多,其次为乙状结肠,两者可占全部病例的2/3以上。其次是盲肠、升结肠、降结肠、横结肠。据调查大肠在近肛侧的大肠远端之所以增多可能与临床就用直肠乙状结肠镜检查有关。少数病例为多中心性生长,此常由多发性息肉变而来。

肉眼观:一般可分为4型。

1.隆起型 肿向肠腔内突出,又可分为隆起息肉型(图10-29)及盘状型两个亚型。镜下多为分化成熟的腺(图10-30)。

直肠<a href=癌(隆起息肉型)"/>

图10-29 直肠(隆起息肉型)

直肠腺<a href=癌"/>

图10-30 直肠腺

细胞分化较好,巢大多呈腺样结构(Ⅱ73-3057)

2.溃疡型肿表面形成明显的较深溃疡。根据溃疡外形及生长情况又可分为局限溃疡型及浸润溃疡型2个亚型。局限溃疡型肿外观似火山口状,中央坏死,有不规则形深溃疡形成。溃疡边缘呈围堤状隆起于粘膜面,边界多尚清楚。浸润溃疡型溃疡底大,向肠壁深部浸润生长,与周围正常组织分界不清。溃疡边缘为斜坡状隆起的肠粘膜。

3.浸润型肿向肠壁深层弥漫浸润,常累及肠管全周,使局部肠壁增厚,表面常无明显溃疡。有时肿伴纤维组织增生,可使肠管管腔周径缩小,形成环状狭窄,亦称环状型。

4.胶样型肿外观及切面均呈半透明胶冻状。镜下为粘液腺或弥漫浸润的印戒细胞。此型较少见,主要发生于直肠,多见于青年人,预后较差。

大肠的肉眼形态在左、右侧大肠有明显的不同。左侧多为浸润型,引起肠壁环形狭窄,早期出现梗阻症状。右侧多为隆起息肉型,沿盲肠及升结肠的一侧壁生长、蔓延。一般无梗阻症状。

【组织学类型】

1.乳头状腺细胞为柱状上皮,排列成细乳头状,乳头内间质很少。多为高分化型。

2.管状腺细胞排列成腺管状。根据其分化程度可分为:高分化、中等分化及低分化三级。

3.粘液腺常有二种类型。一种表现为大片粘液湖形成,其中漂浮小堆细胞;另一种表现为囊腺状结构,囊内充满粘液,囊壁衬以分化较好的粘液柱状上皮。此类粘液腺常伴有高分化腺或乳头状腺

4.印戒细胞由弥漫成片的印戒细胞构成,不形成腺管状结构。有时可伴有少量细胞外粘液。

5.未分化细胞常较小,形态较一致,细胞弥漫成片或成团。无腺上皮分化,不形成腺管状结构。

6.腺鳞组织具有腺及鳞二种结构。

7.鳞状细胞多发生在直肠肛门附近的被覆鳞状上皮。为数较少。

大肠组织可产生一种糖蛋白,作为抗原引起患者的免疫反应。此种抗原称为胚抗原(carcino-embryonic antigen,CEA)。现知CEA可广泛存在于内胚叶起源的消化系统中(胃、小肠、大肠、肝、胰等处的),也存在于正常胚胎的消化管组织中。在正常人血清中也可有微量存在。因此,血清中检出CEA并不能作为确诊大肠的根据。但测定CEA有助于观察患者肿的消长,例如切除肿后CEA水平下降,以后CEA再度上升则提示复发或转移。

【分期】

Dukes 曾根据大肠病变在肠壁的扩散范围以及是否转移到局部淋巴结将大肠分为三期(图10-31)。

(图缺)

图10-31 Dukes肠分期示意图

A生长限于肠壁,无淋巴结转移

B直接扩延至肠周组织,无淋巴结转移

C?局部淋巴结转移

A期:组织直接侵入粘膜下层或肌层,但未穿透肌层,也未累及淋巴结。

B期:组织已超过肌层,扩延到肠周组织,但仍未累及淋巴结。

C期:除有上述改变外,已发生淋巴结转移。

A期经手术可以治愈。B期术后5年存活率为70%,C期降至30%。上述Dukes分类的缺陷是未反映早期大肠及有远隔器官转移的晚期大肠。故近年又有将A期进一步划分,A1期为早期大肠。在C期之后增加了D期,此期有远隔器官的转移。

【扩散蔓延】

1.局部扩散分化成熟的大肠生长缓慢,肠壁的环肌及纵肌又可限制其扩散。故在组织侵入肌层前,极少有淋巴结及静脉的受累。当已浸润到浆膜后,可直接蔓延到邻近器官,如前列腺、膀胱、腹膜及腹后壁。

2.淋巴道转移早期肿可沿肠壁神经周围的淋巴间隙扩散,由淋巴管转移到淋巴结。结肠淋巴结可分为结肠上、旁、中间和终末淋巴结4组,结肠时均可有转移。直肠首先转移到直肠旁淋巴结,以后再扩散,侵入盆腔和肛周组织。

3.血道转移晚期大肠可经血行转移到肝、肺、骨等处。肝转移时,转移的部位与原发部位有关。一般右侧结胞多转移到肝右叶,左侧结肠则左、右肝叶均可转移。

【病因】

关于大肠的病因,在环境及遗传二种因素值得注意。在遗传因素上,曾有大肠家族性高发的报告。另外,在遗传性多发性大肠息肉病的患者鉴定出一种单基因突变体,据称后者与息肉的变有关。近年研究报道,位于第17染色体的称为p53的基因及位于第2染色体末端的新基因MSH2均为抗基因(antioncogene),在大肠时这种抗基因发生点突变而失活。结果失去了对细胞增殖的正常控制,从而发生变。在结肠息肉无变时则不见p53基因的失活(Bodmer & Vogelstein)。关于环境因素,现认为多与饮食有关。高营养低纤维质而少消化残渣的饮食与本病的发生有关。这类食物不利于有规律的排便,因此延长了肠粘膜与这类食物中可能含有的致物质的接触时间。流行病学调查发现,高脂肪饮食的人群有较高的大肠发病率。其粪便内胆汁酸、中性类固醇物质的含量以及厌氧菌菌丛比例都比低脂肪饮食的人群为高。肠道内的厌氧菌靠其含有的β-葡萄糖醛酸酶、7α-脱羟酶及胆固醇脱氢酶等把肠道内的胆汁酸、中性类固醇物质转化为促物质和(或)致物质,如形成多环芳香化合物等。β-葡萄糖醛酸苷酶又可把经肝解毒,并以葡萄糖醛酸苷形式随胆汁排至肠道的结合形式的致物质,重新游离出来发挥作用。

上一页:十一、肠先天性发育异常疾病
当前页:十二、肠肿瘤
下一页:一、循环障碍

返回目录